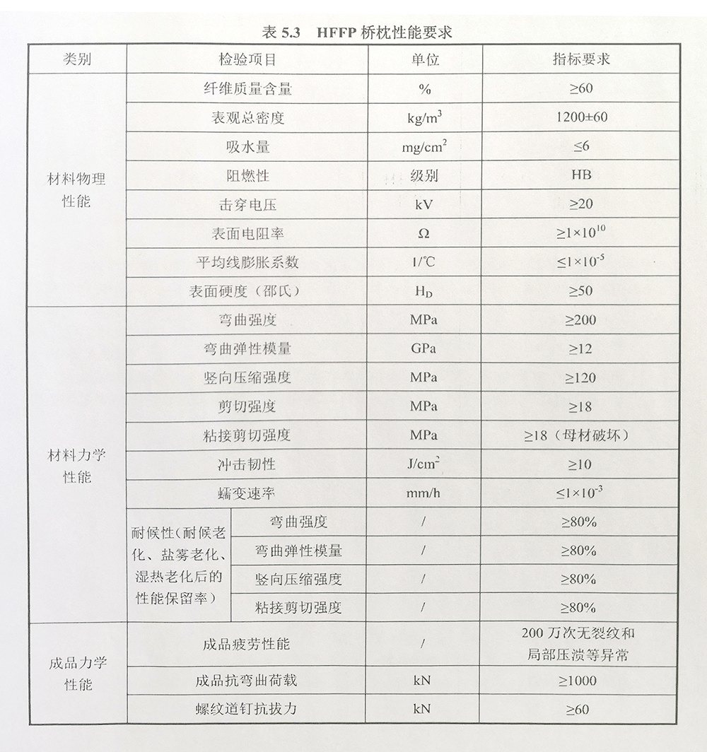
01
優異的耐久性
不吸水、耐腐蝕,可長期保持工時的強度、尺度精度。
02
重量較輕、施工性好
與木材的重量相近(比重0.74)便于現場加工。
03
鏈接強度高
道釘、螺釘的拉拔強度大,反復釘入時的保持率也高。另外幾乎不會發生因沾上油漬而引起強度的降低這一現象。

04
電絕緣性好
不吸水,所以不會降低絕緣性。
05
可對應各種加工
能進行與木材相同的加工(開槽、鉆孔、磨削、打釘、粘接、涂漆)。
06
有利環境保護的產品
由于取替了木材,可保護森林,壽命長,可減少廢棄物。可以依靠水公司獨特的加工技術和埋栓施工法進行再生利用。











